PRODUKTY I ROZWIĄZANIA
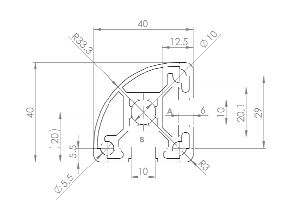
Materiał: aluminium anodowane
Powierzchnia A [cm2]: 5,00
Moment bezwładności lx [cm4]: 7,20
Moment bezwładności ly [cm4]: 7,20
Wskaźnik wytrzymałości przekroju Wx [cm3]: 3,60
Wskaźnik wytrzymałości przekroju Wy [cm3]: 3,60
Masa m [kg/m]: 1,30
ZIP
PDF
Zapytaj o produkt!
Zapytanie dotyczy:
Adres e-mail*
Numer telefonu
Temat wiadomości Uzupełniony automatycznie na podstawie wybranego produktu.
Treść zapytania (np. ilość i długość odcinków profilu)*
Dodaj załącznik (np. rysunek techniczny, szkic, specyfikacja) Max. rozmiar: 10 MB. Typy plików: pdf, doc, docx, odt, xls, xlsx, ods, step, stp, jpg, jpeg, png, gif, bmp, tiff, webp
Wyrażam zgodę na kontakt w celu obsługi zgłoszenia i przetwarzanie danych osobowych zgodnie z polityką prywatności.*
Wyślij zapytanie