PRODUKTY I ROZWIĄZANIA

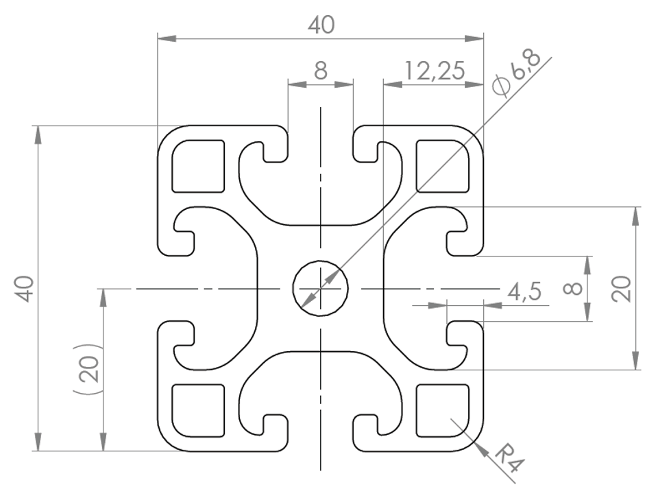
PROFIL 8 40x40L (CZARNY)

Kod produktu: 20206006

Materiał: aluminium anodowane

Powierzchnia A [cm2]: 6,46

Moment bezwładności lx [cm4]: 9,00

Moment bezwładności ly [cm4]: 9,00

Wskaźnik wytrzymałości przekroju Wx [cm3]: 4,50

Wskaźnik wytrzymałości przekroju Wy [cm3]: 4,50

Masa m [kg/m]: 1,74

    Zapytaj o produkt!

    Zapytanie dotyczy: